咨詢熱線18375985662
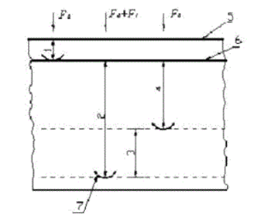
2個步驟壓入試樣表面。卸除主試驗力后,在規定條件下,將壓頭(金剛石圓錐、鋼球或球)分在初試驗力下測量壓痕殘余深度h。以壓痕殘余深度h代表硬度的高低。洛氏硬度試驗原理如圖2-1所示。1—在初始試驗力Fo...

機械主體是影像測量儀的主要部分。 它由結構型式、導軌和傳動機構組成。 為了平衡Z軸的重量,有時需要增加一個平衡組件。 結構型式是影像測量儀的主要組成部分,一般由工作臺、立柱或橋架、外殼等組成。 測量儀...

1綜述硬度試驗機是用來測定材料硬度的專用設備,在材料力學性能測試中,測量硬度是一種最容易,最經濟,最便捷的方法,不僅可迅速測得硬度指標,還可以利用硬度與其他力學性能的關系,推算出其他力學性能,如強度、...

英斯特力儀器是一家集研發、生產及銷售于一體的 影像測量儀,拉力試驗機, 硬度計 ,探傷儀, 粗糙度儀, 測厚儀, 金相設備廠家, 致力于為客戶提供更好的檢測儀器。

影像測量儀被廣泛應用在工業產品的檢測上,隨著我國現代工業快速的發展,二次元影像測量儀的市場需求不斷增加。影像測量儀已成為現代工業檢測中必不可少的檢測儀器,是新興產業中高速發展的一個行業。
